Заказать звонок
Ваш регион:
Москва
Перейти на старый сайт

B-M5-2 Гайка запрессовочная резьбовая М5 стальная оцинкованная

B-M5-2 Гайка запрессовочная резьбовая М5 стальная оцинкованная

B-M5-2 Гайка  запрессовочная резьбовая М5 стальная оцинкованная
3 748.10 ₽ /
1000 шт.
  • Описание

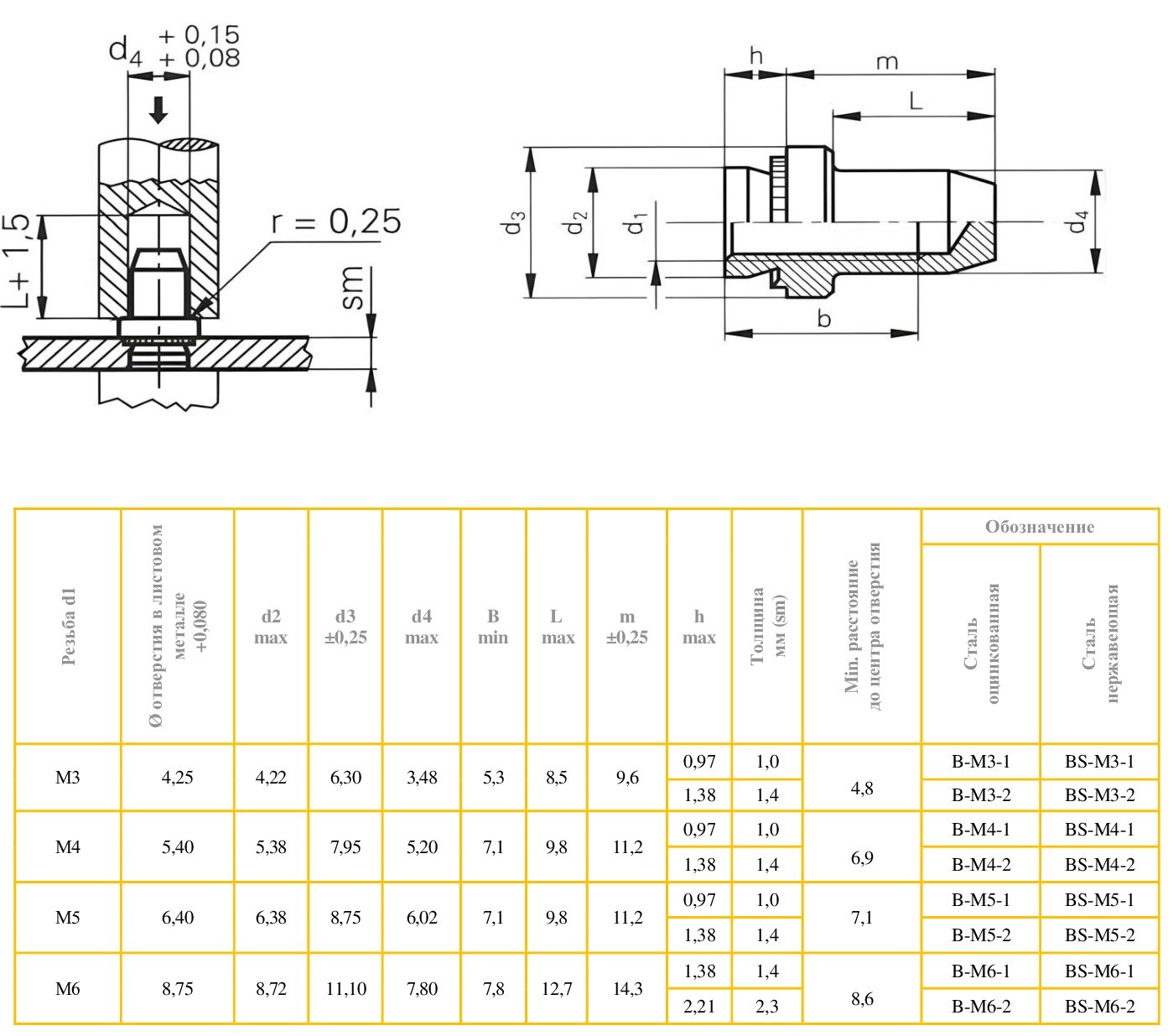
    Высокая запрессовочная гайка типа B с закрытой внешней стороной из оцинкованной закаленной углеродистой стали. Оцинкованное покрытие продлевает срок службы гайки, повышая ее устойчивость к коррозии. Используется в случаях, когда требуется закрытый конец резьбы. Глухой конец ограничивает проникновение винта, защищая внутренние компоненты изделия от контакта с вкрученным винтом, а так же предотвращает попадание в резьбовое соединение влаги, пыли и загрязнений. Размерность от М3 до М6, высота гайки от 9,6 до 14,3 (±0,25) мм. Два варианта высоты обратного конуса гайки в каждой размерности, выбор которого зависит от толщины материала, в который будет запрессовываться крепеж. Рекомендована для монтажа в заготовки из углеродистой стали твердостью до HRB 80 и толщиной от 1,0 мм.

    Установка запрессовочной гайки осуществляется в заранее подготовленное отверстие, под воздействием равномерной нагрузки в процессе запрессовки происходит пластическая деформация материала металлической заготовки, затекающего в специальные конструктивные элементы крепежных изделий, создавая при этом аккуратное и прочное соединение, обеспечивающее необходимую несущую способность и стойкость к крутящему моменту.

  • Характеристики
    Тип крепежа
    Гайка запрессовочная
    Материал крепежа
    Оцинкованная сталь
    Тип запрессовочного крепежа
    B оцинкованная сталь
    Артикул
    B-M5-2
    Наличие резьбы у крепежа
    Да
    Диаметр крепежа (мм)
    5
    Длина (мм)
    11.2
    Диаметр резьбы
    5
    Внешний диаметр
    8.75
    Фасовка
    1000 шт
    Внутренний диаметр
    6.02
  • Чертежи
  • Номенклатура

    Гайка запрессовочная B

    M3 M4 M5 M6
    1 B-M3-1 B-M4-1 B-M5-1 B-M6-1
    2 B-M3-2 B-M4-2 B-M5-2 B-M6-2
S-M6-0 S-M6-0
F-M6-5 F-M6-5
KPS6-M3-06 KPS6-M3-06
S-M3-2 S-M3-2