Заказать звонок
Ваш регион:
Москва
Перейти на старый сайт

MPP-2mm-4* Микроштифт запрессовочный для установки в лист толщиной менее 0,5 мм

MPP-2mm-4* Микроштифт запрессовочный для установки в лист толщиной менее 0,5 мм

MPP-2mm-4* Микроштифт запрессовочный для установки в лист толщиной менее 0,5 мм
4 583.71 ₽ /
1000 шт.
  • Описание

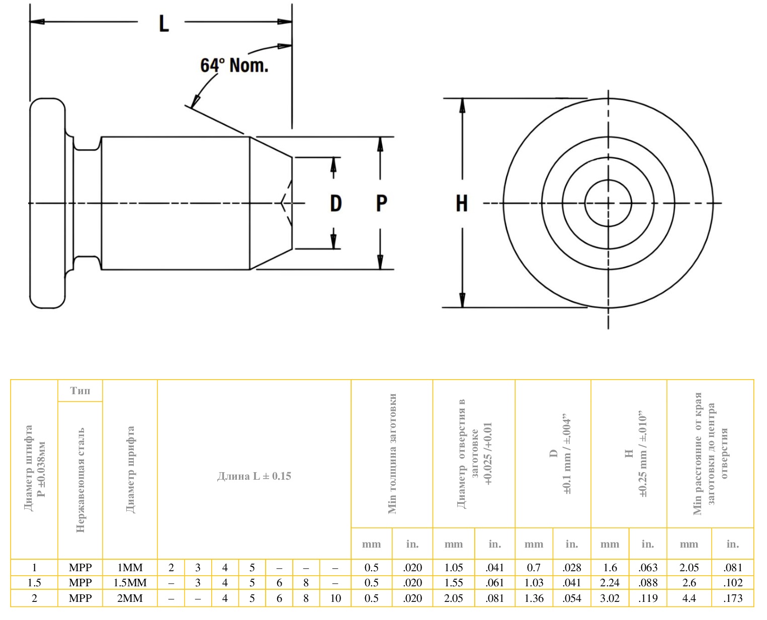
    Запрессовочные шпильки MPP устанавливаются в листовой материал толщиной 0,5 мм в один уровень с поверхностью. На конце шпильки расположена фаска, которая помогает производить выравнивание и позиционирование с отверстием. Используется при сборке компактных электронных компонентов. Возможно применение при автоматической установке.

  • Характеристики
    Тип крепежа
    Шпилька запрессовочная без резьбы
    Материал крепежа
    Нержавеющая сталь
    Тип запрессовочного крепежа
    MPP нержавеющая сталь
    Артикул
    MPP-2mm-4
    Наличие резьбы у крепежа
    Нет
    Наличие покрытия заготовки
    Нет
    Длина (мм)
    4
    Внешний диаметр
    3.02
    Фасовка
    1000 шт
    Внутренний диаметр
    1.36
  • Чертежи
  • Номенклатура
TPS-3MM-06 TPS-3MM-06
TPS-3MM-08 TPS-3MM-08
TP-5MM-10 TP-5MM-10
TP4-6MM-12 TP4-6MM-12